Тормоз колодочный ТКГ
ТКГ (тормоз колодочный гидравлический)- тормозное устройство состоящее из рычажной системы, пружины, колодок и гидротолкателя. Предназначены для затормаживания и удержания в фиксированном положении крановых механизмов. Тормоза этого типа устанавливаются на кран-балки, мостовые и козловые краны.
ТКГ изготавливаются по ТУ 3178-023-26284822-2024, следующих типоразмеров ТКГ-160, ТКГ-200, ТКГ-300, ТКГ-400, ТКГ-500, цифра в маркировке указывает диаметр тормозного шкива в мм. Чем больше диаметр шкива , тем больше максимальный тормозной момент. Необходимый тормозной момент рассчитывается исходя из массы груза и скорости вращения вала.
Конструкция крановых тормозов ТКГ
Тормоз ТКГ состоит из двух частей:
- Рама тормоза, несущая металлоконструкция на которой закреплены основные элементы тормоза
- Электрогидротолкатель ТЭ - электрический привод который растормаживает механизм при подаче на него напряжения
Принцип работы тормоза ТКГ с гидротолкателем ТЭ
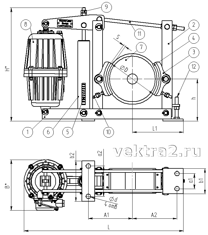
На станине (1) шарнирно укреплены стойки (2) и тормозные колодки (3) с фрикционными накладками (4).
В обесточенном состоянии шкив (7) заблокирован колодками, тормозное усилие создается тормозной пружиной (5) закрытой кожухом (6).
При включении двигателя (перемещения или подъема) крана, электропитание подается на гидротолкатель ТЭ (8), выдвигается шток толкателя ТЭ, преодолевает усилие пружины и разводит колодки, освобождая шкив и позволяя механизму вращаться. При отключении питания пружина возвращает колодки в исходное положение — происходит затормаживание механизма.
Регулировка тормоза крана ТКГ
Регулировочные механизмы ТКГ позволяют быстро отрегулировать тормоз на кране , выставить оптимальный зазор колодок и тормозной момент Предусмотрено несколько регулировок тормоза:
- Регулировка тормозного момента. Обеспечивается регулировкой установочной длины пружины гайками (9)
- Регулировка зазоров между шкивом и колодками производится регулировочными болтами (10)
- Величина рабочего хода штока электрогидравлического толкателя ТЭ производится регулировочной тягой (11)
- Равномерный развал обеих стоек обеспечивается упорным болтом (12)

Размеры крановых тормозов ТКГ
| Тормоз | L, мм | H, мм | В, мм | D, мм | h, мм | A1, мм | A2, мм | a1, мм | a2, мм | b1, мм | b2, мм | L1, мм | d, мм | s, мм |
| ТКГ-160 с ТЭ-30 | 500 | 450 | 200 | 160 | 145 | 128 | 72 | 90 | 90 | 120 | 120 | 151 | 13 | 6 |
| ТКГ-200 с ТЭ-30 | 628 | 448 | 200 | 200 | 170 | 175 | 175 | 60 | 120 | 100 | 160 | 201 | 18 | 8 |
|
ТКГ-300 с ТЭ-50 |
784 | 586 | 216 | 300 | 240 | 250 | 250 | 80 | 150 | 130 | 190 | 272 | 22 | 8 |
| ТКГ-400 с ТЭ-80 | 827 | 610 | 216 | 400 | 300 | 170 | 170 | 68 | 68 | 110 | 110 | 315 | 22 | 10 |
| ТКГ-500 с ТЭ-80 | 977 | 850 | 216 | 500 | 400 | 205 | 205 | 85 | 85 | 180 | 180 | 330 | 27 | 12 |
